Запасные части ЧТЗ Запасные части ЧТЗ
Грозный
Например:
Актобе
Алдан
или
Выбрать автоматически
Актобе
Алдан
Алматы
Алчевск
Архангельск
Астана
Астрахань
Атырау
Баку
Балашиха
Барнаул
Белгород
Бердянск
Бишкек
Владивосток
Владикавказ
Воркута
Воронеж
Горловка
Грозный
Донецк
Екатеринбург
Иваново
Ижевск
Иркутск
Казань
Калининград
Каменск-Уральский
Караганда
Каховка
Кемерово
Киров
Комсомольск-на-Амуре
Костанай
Краснодар
Красноярск
Красный луч
Ленск
Луганск
Магадан
Магнитогорск
Макеевка
Махачкала
Мелитополь
Минск
Мирный (Якутия)
Москва
Мурманск
Нерюнгри
Нижневартовск
Нижний Новгород
Нижний Тагил
Новая каховка
Новокузнецк
Новосибирск
Новый Уренгой
Норильск
Ноябрьск
Нур-Султан
Омск
Оренбург
Ош
Павлодар
Пермь
Петрозаводск
Петропавловск
Петропавловск-Камчатский
Псков
Ростов-на-Дону
Салехард
Самара
Санкт-Петербург
Саратов
Севастополь
Семей
Симферополь
Сочи
Ставрополь
Сургут
Сыктывкар
Тараз
Ташкент
Токмак
Томск
Тында
Тюмень
Ульяновск
Усинск
Усть-Каменогорск
Уфа
Хабаровск
Ханты-Мансийск
Херсон
Челябинск
Чита
Шымкент
Экибастуз
Энергодар
Южно-Сахалинск
Якутск
Ваш город
Грозный
Войти
Запасные части к тракторам на одном сайте
+7 (932) 303-00-10
+7 (932) 303-00-10
г. Грозный, ул. Коперника, д. 3
Пн-Пт: 9:30-18:30 Cб-Вс: Выходной
Отправить заявку


Турбокомпрессор


/
с НДС 20%
Описание
Турбокомпрессор двигателя Д-160
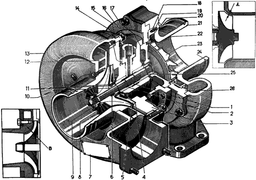
Рис. 19. Турбокомпрессор
1 – вал;
2 – подшипник;
3 – корпус средний;
4, 14 – прокладки;
5 – диск уплотнения;
6, 19 – штифты;
7 – табличка;
8 – колесо компрессора;
9 – гайка;
10, 25 – кольца;
11, 24 – кольца уплотнительные;
12 – вставка корпуса компрессора;
13 – корпус компрессора;
15, 20 – прокладки регулировочные;
16 – фиксатор;
17 – прокладка уплотнительная;
18 – венец сопловой;
21 – корпус турбины;
22 – диск уплотнения;
23 – колесо турбины;
26 – проставка турбины;
А – зазор между колесом и корпусом турбины;
В – зазор между колесом и вставкой компрессора.

Турбокомпрессор (рис. 19) - агрегат наддува дизеля - представляет собой одноступенчатый центробежный компрессор с приводом от радиальной центростремительной турбины, работающий в потоке выхлопных газов дизеля. Установлен турбокомпрессор на фланце выхлопного коллектора.

Подшипники ротора смазываются под давлением из общей системы смазки дизеля с дополнительной очисткой масла в фильтре перед турбокомпрессором.

При эксплуатации турбокомпрессор не требует регулирования, однако, необходимо систематически контролировать его работу. Включая подачу топлива, определить нормальную работу турбокомпрессора по специфическому, постепенно нарастающему звуку высокого тона, характерному только для работы дизеля с наддувом. При остановке хорошо прогретого дизеля проверить пробег ротора на слух. Вращение ротора должно прослушиваться не менее 5 с (с плавной остановкой) с момента остановки дизеля.
Турбокомпрессор